MCH-7

Изображение 1

MCH-7

MCH-7

Описание

Подготовка образца к выдаче начинается только после получения оплаты и согласования приблизительной даты передачи готового материала и занимает 10-14 дней.

Один образец соответствует 2 культуральным флаконам площадью 25 см2 (на каждом флаконе приблизительно 1,5 - 2 Х 106 клеток, если вам требуется большее количество клеток вы можете воспользоваться услугой "нарастить под заказ").

 

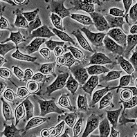
Паспорт коллекционной клеточной линииMCH-7

Происхождение: мышь С3Н, рабдомиосаркома, индуцированная метилхолантреном.
Цитология 1970. 12: 798.
Морфология: фибробластоподобная
Способ культивирования: монослойный
Условия культивирования:
среда - DMEM
сыворотка - эмбриональная бычья 10%
процедура пересева - cнятие клеток, используя трипсин 0.25%: версен 0.02% (1:3), кратность рассева 1:3 - 1:8
криоконсервация - ростовая среда, 10% DMSO, 1.0х106 клеток/мл в ампуле
Жизнеспособность после криоконсервации: 91% (окраска трипановым синим на нулевом пассаже)
Контроль контаминации: бактерии, грибы и микоплазма не обнаружены
Контроль видовой идентичности: кариологический, изоферментный (ЛДГ и Г6ФДГ) анализ.
Кариология: 2n= 40, пределы изменчивости по числу хромосом 57-85, в 30% клеток 77-78 хромосом, в некоторых клетках 1-3 микрохромосомы.
Эффективность клонирования: 80%
Туморогенность: туморогенны в сингенных животных
Область применения: канцерогенез
Коллекции: КККП ИНЦ РАН.

Характеристики

Коллекции:
Коллекция культур клеток позвоночных Института цитологии РАН, г. Санкт-Петербург
Видовая принадлежность:
Мышь домовая (Mus musculus)
Оборудование ЦКП работает в течении всего календарного года в интересах базовой организации и для оказания услуг сторонним пользователям.