MCH-82

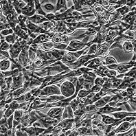
Изображение 1

MCH-82

MCH-82

Описание

Подготовка образца к выдаче начинается только после получения оплаты и согласования приблизительной даты передачи готового материала и занимает 10-14 дней.

Один образец соответствует 2 культуральным флаконам площадью 25 см2 (на каждом флаконе приблизительно 1,5 - 2 Х 106 клеток, если вам требуется большее количество клеток вы можете воспользоваться услугой "нарастить под заказ").

 

Паспорт коллекционной клеточной линииMCH-82

Происхождение: мышь DBA/2, рабдомиосаркома, индуцированная метилхолантреном.
Цитология 1988. 30: 726.
Морфология: фибробластоподобная
Способ культивирования: монослойный
Условия культивирования:
среда - DMEM
сыворотка - эмбриональная бычья 10%
процедура пересева - cнятие клеток, используя трипсин 0.25%: версен 0.02% (1:3), кратность рассева 1:3 - 1:8
криоконсервация - ростовая среда, 10% DMSO, 1.0х106 клеток/мл в ампуле
Жизнеспособность после криоконсервации: 90% (окраска трипановым синим на нулевом пассаже)
Контроль контаминации: бактерии, грибы и микоплазма не обнаружены
Контроль видовой идентичности: кариологический и изоферментный (ЛДГ, Г6ФДГ) анализ
Кариология: 2n= 40, пределы изменчивости по числу хромосом 50-60, модальное число хромосом 53, количество маркеров - 2 (дифференциальная окраска).
Туморогенность: туморогенны в сингенных животных
Область применения: канцерогенез
Коллекции: КККП ИНЦ РАН.

Характеристики

Коллекции:
Коллекция культур клеток позвоночных Института цитологии РАН, г. Санкт-Петербург
Видовая принадлежность:
Мышь домовая (Mus musculus)