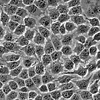
MDCK (NBL-2)

Изображение 1

MDCK (NBL-2)

MDCK (NBL-2)

Описание

Подготовка образца к выдаче начинается только после получения оплаты и согласования приблизительной даты передачи готового материала и занимает 10-14 дней.

Один образец соответствует 2 культуральным флаконам площадью 25 см2 (на каждом флаконе приблизительно 1,5 - 2 Х 106 клеток, если вам требуется большее количество клеток вы можете воспользоваться услугой "нарастить под заказ").

 

Паспорт коллекционной клеточной линииMDCK (NBL-2)

Происхождение: собака, почка
Proc. Soc. Exp. Biol. Med. 1958. 98: 574.
Морфология: эпителиоподобная
Способ культивирования: монослойный
Условия культивирования:
среда - DMEM
сыворотка - эмбриональная бычья 10%
процедура пересева - cнятие клеток, используя трипсин 0.25%: версен 0.02% (1:3), кратность рассева 1:3 - 1:6, оптимальная плотность 1.0-3.0х104 клеток/см2
криоконсервация - ростовая среда, 10% DMSO, 1.0х106 клеток/мл в ампуле
Жизнеспособность после криоконсервации: 90% (окраска трипановым синим на нулевом пассаже)
Контроль контаминации: бактерии, грибы и микоплазма не обнаружены
Контроль видовой идентичности: кариологический анализ
Кариология: 2n= 78, пределы изменчивости по числу хромосом 75-83, модальное число хромосом 78-80, количество маркеров - 1-2, крупные субметацентрические хромосомы, в некоторых клетках имеются 1-2 средние мета- или субметацентрические хромосомы (рутинная окраска), количество полиплоидов 0.6%.
Эффективность клонирования: 35%.
Другие характеристики: чувствительность к вирусам: везикулярный стоматит; коровья оспа; Коксаки В-5; реовирус 2, 3; аденовирус 4, 5; грипп А, В, С; чума собак, арбовирусы, аренавирусы, везикулярная экзантема свиней, инфекционный гепатит собак.
Область применения: вирусология, биотехнология, клеточная биология.
Коллекции: ATCC CCL 34; ECACC 84121903; 85011435; БелКККЧЖ; НИИ вирусологии РАМН; ЕСКК; СХЖ РАСХН; КККП ИНЦ РАН.

Характеристики

Автор:
SH Madin, NB Jr.Darby
Публикация:
Established kidney cell lines of normal adult bovine and ovine origin. Madin SH, Darby NB Jr.. Proc. Soc. Exp. Biol. Med. , 1958. 98: 574-576 (PMID: 13567776)
Коллекции:
Коллекция культур клеток позвоночных Института цитологии РАН, г. Санкт-Петербург
Источник получения:
Почка
Видовая принадлежность:
Собака (Canis familiaris)
Оборудование ЦКП работает в течении всего календарного года в интересах базовой организации и для оказания услуг сторонним пользователям.